网站首页
公司简介
新闻发布
产品展示
合作伙伴
联系我们
在线留言
产品中心
明椿减速机
EZIKO减速机
如阳马达减速机
Ucan减速机
豪鑫齿轮减速机
悍猛谐波减速机
AHK
产华
中空旋转平台
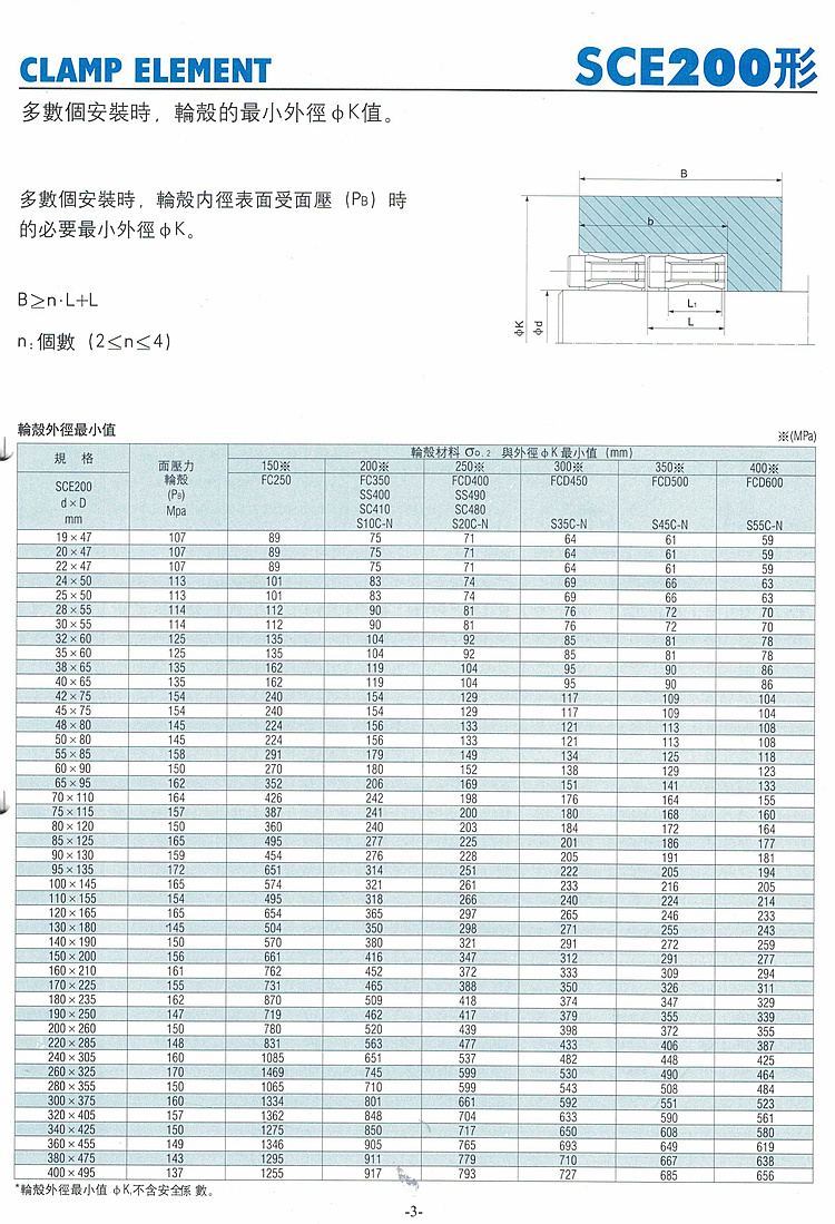
胀紧套SCE200
详情介绍
首页
电话咨询
微信咨询
联系我们
X
微信识别二维码
(点击微信号复制,添加好友)
微信号已复制,请打开微信添加咨询详情!